\ お気軽にご連絡ください /
\ お気軽にご連絡ください /

民泊を始めようと準備を進めている方から「消防設備のことがよくわからない」「特定小規模施設用自動火災報知設備って何?」というご相談をよくいただきます。
住宅宿泊事業(民泊新法)の届出を行う際、消防法令への適合は必須です。しかし、消防法の規定は複雑で、ご自身で理解するのは簡単ではありません。特に「特定小規模施設用自動火災報知設備」(以下「特小自火報」)は、民泊に適した設備として注目されていますが、その設置基準や要件について正確に理解している方は少ないのが現状です。
この記事では、これから民泊を始める方が知っておくべき特小自火報の基礎知識について、行政書士がわかりやすく解説します。
この記事を読むとわかること
- 特定小規模施設用自動火災報知設備(特小自火報)とは何か
- 2023年の改正で何が変わったのか
- どのような民泊物件に設置が必要か
- 具体的な設置基準と設置場所
- 自分で設置できるのか
- 設置にかかる費用の目安
- 設置後の点検・維持管理の方法
- 条例による特例基準の活用方法
- 1. 特定小規模施設用自動火災報知設備(特小自火報)とは
- 1.1. 通常の自動火災報知設備との違い
- 1.2. 特小自火報の主な特徴
- 2. 2023年改正で何が変わったのか
- 2.1. 改正の主なポイント
- 2.2. 警戒区域の考え方
- 3. 民泊(住宅宿泊事業)に特小自火報の設置が可能なケース
- 3.1. 特定小規模施設の定義
- 3.2. 戸建て住宅で民泊を行う場合
- 3.3. (16)項イ 複合用途防火対象物の一室で民泊を行う場合
- 4. 特小自火報の設置基準を分かりやすく解説
- 4.1. 感知器の設置が必要な場所
- 4.2. 感知器の設置位置
- 4.3. 連動型警報機能付感知器の要件
- 4.4. 非常電源の要件
- 5. 自分で設置することはできるのか
- 5.1. 消防設備士の資格が不要なケース
- 5.2. 消防設備士が必要なケース
- 5.3. DIYのリスクと注意点
- 5.4. 専門業者に依頼するメリット
- 6. 消防設備業者へ依頼した場合、設置にかかる費用の目安
- 6.1. 機器ごとの費用(設置費込み・税込)
- 6.2. 物件タイプ別の概算費用
- 6.3. 費用を抑えるポイント
- 7. 設置後の点検と維持管理
- 7.1. 定期点検の義務
- 7.2. 点検の内容
- 7.3. 点検報告書の提出
- 7.4. 日常の維持管理
- 8. よくある質問
- 8.1. 既存の住宅に後から設置できますか?
- 8.2. 賃貸物件でも設置できますか?
- 8.3. 住宅用火災警報器との違いは?
- 8.4. 感知器は何台必要ですか?
- 8.5. 設置後の電池交換は自分でできますか?
- 8.6. 消防署への事前相談は必要ですか?
- 9. まとめ:安心・安全な民泊運営のために
- 10. 消防設備のご相談は専門家にお任せください
- 11. 民泊のポイント解説4選
\ Recommend /
民泊について知る
【民泊消防設備】完全ガイド|家主居住型・不在型・面積別の設置基準と手続き|鎌倉エリア対応
一戸建て民泊の消防設備を徹底解説!家主居住型と不在型の違い、宿泊室50㎡を境とした設置基準、消防法令適合通知書の取得手続きまで完全ガイド。鎌倉エリア対応で、安全で適法な民泊開業を分かりやすくサポートします。
特定小規模施設用自動火災報知設備(特小自火報)とは

特定小規模施設用自動火災報知設備(特小自火報)は、小規模な施設における火災を早期に感知し、建物内の人々に知らせるための設備です。平成20年(2008年)に制定された「特定小規模施設における必要とされる防火安全性能を有する消防の用に供する設備等に関する省令」に基づいて設置されます。
通常の自動火災報知設備との違い
自動火災報知設備のイメージ

特定小規模施設用自動火災報知設備の設置基準の改正について
特定小規模施設用自動火災報知設備のイメージ

特定小規模施設用自動火災報知設備の設置基準の改正について
通常の自動火災報知設備は、受信機、感知器、発信機、地区音響装置などを有線で接続する必要があり、壁や床の内部に配線工事を行う必要があります。既存の建物に後から設置する場合、大規模な工事になることが多く、費用も高額になりがちです。
一方、特小自火報は無線式の連動型警報機能付感知器のみで構成することができます。感知器同士が無線で連動し、一つの感知器が火災を感知すると、建物内のすべての感知器が警報を鳴らす仕組みです。
特小自火報の主な特徴
- 設置が簡易:無線式のため、複雑な配線工事が不要です。電池式の製品もあり、電源工事も最小限で済みます。
- コストが抑えられる:工事費用が通常の自動火災報知設備に比べて安価です。
- 既存住宅への後付けが容易:民泊のために既存の戸建てやマンションを活用する場合でも、比較的簡単に設置できます。
- 連動機能:一つの感知器が作動すると、すべての感知器が警報を発するため、建物全体に火災を知らせることができます。
ただし、特小自火報は小規模な施設を対象としているため、設置できる建物には一定の制限があります。では、これから特小自火報が設置できる建物を説明していきましょう。
2023年改正で何が変わったのか
令和5年(2023年)8月、特小自火報の設置基準に関する省令が改正されました。この改正により、特小自火報を設置できる範囲が拡大され、より多くの民泊物件で活用できるようになりました。
外部サイト:総務省消防庁 特定小規模施設用自動火災報知設備の 設置範囲の拡大について
改正の主なポイント
警戒区域の制限緩和:従来は警戒区域が1つの場合のみ設置可能でしたが、改正後は300平米未満であれば警戒区域が2以上の場合でも設置できるようになりました。ただし、火災発生場所を特定できるメッセージ機能を備えた連動型警報機能付感知器を使用する必要があります。
特定一階段等防火対象物への適用:特定一階段等防火対象物(避難階以外の階から避難階または地上に直通する階段が1つしかない建物)にも設置できるようになりました。特定一階段等防火対象物へ設置する場合には、居室だけでなく廊下や階段にも感知器の設置をする必要があります。
特定一階段等防火対象物とは
「特定一階段等防火対象物」は、地階もしくは3階より上のフロアに特定用途部分(飲食店・宿泊施設・医療施設等)を有し、なおかつ避難経路として利用可能な屋内階段が一系統のみの建築物を指します。こうした構造の建築物では、火災発生時の避難経路が限定されることから、通常よりも厳格な防火管理体制の整備と、消防設備の設置が法令により求められています。
警戒区域の考え方
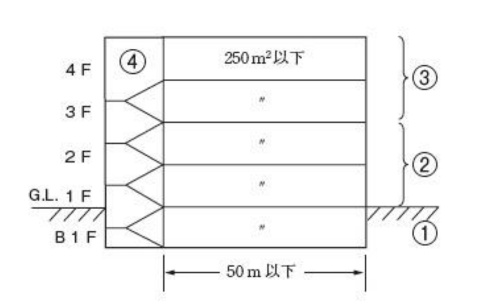
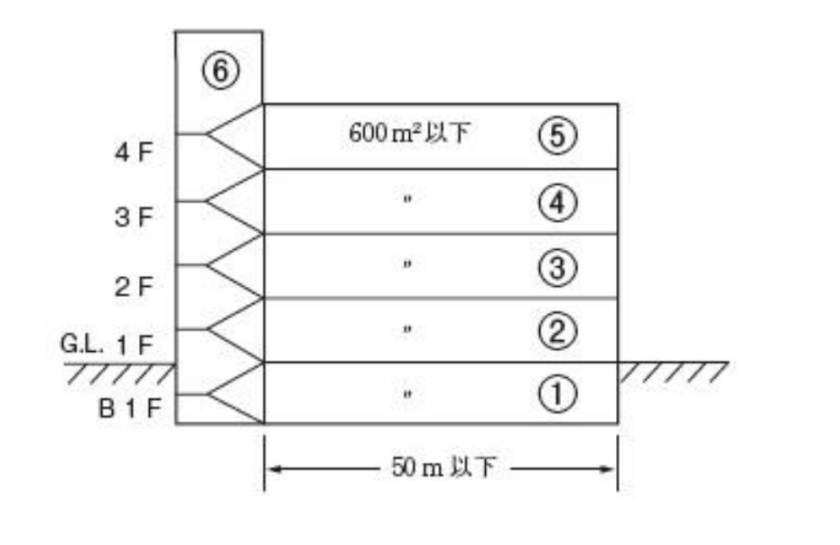
①2つの階で1つの警戒区域とする例

②1つの階で1つの警戒区域とする例

警戒区域とは、火災が発生した区域を他の区域と区別して識別できる最小単位の区域のことです。一般的に、防火対象物の2つ以上の階にわたらず、かつ床面積が600㎡以下であれば1つの警戒区域とみなされます。
2階建ての戸建ての場合、原則、各階がそれぞれ1つの警戒区域になり、警戒区域が2つになります。
しかし、これには例外があります。上図(左)をご覧ください。各階の長さが50m以下で1つのフロアの面積がそれぞれ250㎡以下の場合、1階と2階を合わせて②としています(地下は1の警戒区域となる)。これは先の改正で一つの階の面積が500平米以下であれば2階と合わせて1つの警戒区域とすることができるような例外規定が設けられたためです。
民泊(住宅宿泊事業)に特小自火報の設置が可能なケース
民泊で特小自火報を設置できるかどうかは、建物の用途、規模、構造によって決まります。まず、特小自火報が設置できる「特定小規模施設」に該当するかを確認する必要があります。
特定小規模施設の定義
特定小規模施設とは、消防法施行令別表第一に掲げる防火対象物のうち、一定の用途と規模の要件を満たすものです。民泊の場合、主に以下の区分が関係します。
5項イ(ホテル・旅館等):住宅宿泊事業として届出を行った民泊(家主不在型)は、消防法上「5項イ」に分類されます。延べ面積が300㎡未満の建物であれば、特小自火報の設置対象になります。
16項イ(複合用途防火対象物):一つの建物内に複数の用途が混在する場合です。たとえば、1階が店舗で2階が民泊という場合、16項イに該当します。延べ面積や用途の組み合わせによって、特小自火報が設置できるかが決まります。民泊の場合、共同住宅の一室を使用する場合には、この防火対象物に該当します。
外部リンク:総務省消防庁 防火対象物の用途区分表(消防法施行令別表第一) 参考3 1
戸建て住宅で民泊を行う場合
戸建て住宅を民泊として使用する場合、多くのケースで特小自火報の設置が可能です。2階建ての戸建てで、延べ面積が300㎡未満であれば、基本的に特小自火報を設置できます。
(16)項イ 複合用途防火対象物の一室で民泊を行う場合
マンションやアパートの一室を民泊として使用する場合も、特小自火報の設置が可能です。(既に自動火災報知設備が設置されている共同住宅(500平米以上)では、民泊実施時の新たな消防設備の追加は基本的に不要です。)

- 延べ面積が300㎡以上500㎡未満
- 民泊及び共同住宅等以外の用途が存在しないもの
- 民泊部分(5)項イの面積300㎡未満
検討中の物件に自動火災報知設備が設置されているを確認し、詳細は管轄の消防署にご確認ください
*厳密には民泊や、共同住宅以外にも建物の用途がありますが、わかりやすを優先し限定しています。
鎌倉で民泊を始めるなら
まずは無料で相談!
特小自火報の設置基準を分かりやすく解説
特小自火報を適切に設置するためには、感知器の設置場所や設置方法について理解する必要があります。
感知器の設置が必要な場所
感知器は、火災を早期に感知できるよう、以下の場所に設置する必要があります。
- 居室:建築基準法で定められた居室(居住、執務、作業、集会、娯楽などの目的で継続的に使用する部屋)には、必ず感知器を設置します。リビング、寝室、客室などが該当します。
- 2㎡以上の収納室:床面積が2㎡以上のクローゼットや納戸にも感知器の設置が必要です。
- 廊下・階段:警戒区域が2以上の場合や、特定一階段等防火対象物の場合、廊下や階段にも感知器の設置が必要です。また、以下の防火対象物の場合も廊下・階段への設置が求められます。
- 2項ニ(カラオケボックス等)の用途に供される特定小規模施設
- 5項イ(延べ面積300㎡未満)と5項ロのみで構成される延べ面積300㎡以上500㎡未満の16項イ
- エレベーター昇降路やダクトスペース:上記の条件に該当する建物の場合、エレベーター昇降路、リネンシュート、パイプダクトなどにも感知器の設置が必要です。
逆に、以下の場所には感知器の設置は不要です。
- 浴室、トイレ(ただし2㎡以上の場合は要検討)
- 1㎡未満の収納スペース
- 外気に開放された部分
- 天井裏(一定の条件を満たす場合)
感知器の設置位置
感知器は、火災を有効に感知できる位置に設置する必要があります。
- 天井または壁への設置:感知器は原則として天井に設置します。天井がない場合は屋根に設置します。床面積が30㎡以下の部屋では、壁に設置することもできます。
- 壁や"はり"からの距離:差動式スポット型、定温式スポット型、補償式スポット型の感知器は、壁またははりから0.4m以上離れた天井に設置します。煙感知器の場合は、壁またははりから0.6m以上離れた位置に設置します。
- 天井からの距離(壁設置の場合):壁に設置する場合は、天井から下方0.15m以上0.5m以内の位置に設置します。
参考外部サイト:【住警器】住宅用火災警報器は部屋のどこに取り付けてもいいのですか。
連動型警報機能付感知器の要件
警戒区域が2以上の場合は、火災発生場所を特定できる機能を持った連動型警報機能付感知器を使用する必要があります。
- 音声メッセージ機能:火災を感知すると、「ピー、ピー、ピー。2階で火事です」というように、警報音と火災発生場所を知らせる音声メッセージが流れます。
- 階または階段を識別:火災発生場所のメッセージは、火災を感知した階または階段を識別できれば十分です。部屋単位での特定は不要です。
- エレベーターの場合:エレベーター昇降路に設置する感知器の場合、昇降路の最上部が存する階を識別するメッセージを流します。
現在市販されている連動型警報機能付感知器の多くは、この音声メッセージ機能を備えています。パナソニックや能美防災などの主要メーカーから、民泊向けの製品が販売されています。
参考サイト:https://panasonic.jp/bosai/
非常電源の要件
特小自火報には、停電時でも作動できるよう、非常電源を設ける必要があります。
- 電池式の場合:連動型警報機能付感知器の電源に電池を使用する場合、電池の電圧が下限値になったことを72時間以上点滅表示などで知らせた後、さらに1分間以上作動できる容量が必要です。
- 電源式の場合:電池以外から電力を供給する場合、停電後10分以上作動できる容量の電池(非常電源)を設ける必要があります。
市販の連動型警報機能付感知器は、これらの要件を満たす製品が一般的です。電池寿命は製品によって異なりますが、通常10年程度です。
自分で設置することはできるのか

特小自火報は比較的簡易な設備ですが、自分で設置できるかどうかは、設備の構成によって異なります。
消防設備士の資格が不要なケース
連動型警報機能付感知器のみで構成される特小自火報(中継器を設置しない場合)は、消防法上、消防設備士の資格がなくても設置できます。
感知器の取り付け自体は、天井や壁にネジで固定するだけなので、DIYに慣れている方であれば可能です。パナソニックなどのメーカーから、取扱説明書付きの製品が販売されており、設置方法も比較的わかりやすく説明されています。
消防設備士が必要なケース
以下の場合は、消防設備士による工事が必要です。
- 中継器を設置する場合
- 受信機、発信機、地区音響装置を設置する場合(連動型警報機能付感知器以外の機器を含む構成)
中継器は、感知器の数が多い場合や、無線の届きにくい場所がある場合に設置します。中継器を含む特小自火報の工事は、甲種第4類または乙種第4類の消防設備士の資格が必要です。
DIYのリスクと注意点
たとえ資格が不要でも、自分で設置する場合には以下のリスクがあります。
- 設置基準を満たさない可能性:感知器の設置場所、設置位置、個数などが基準を満たしていないと、消防署の検査で不適合と判断され、民泊の届出ができません。
- 無線の届きにくい場所:鉄筋コンクリート造の建物や、複雑な間取りの建物では、無線が届きにくい場所が生じることがあります。事前に電波の受信状況を確認する必要があります。
- 火災時の責任:万が一、設備の不備が原因で火災時に適切に作動しなかった場合、責任を問われる可能性があります。
- 点検・維持管理:設置後も定期的な点検が必要です。点検方法や報告義務について理解しておく必要があります。
専門業者に依頼するメリット
特小自火報の設置を専門業者に依頼すると、以下のメリットがあります。
- 確実な基準適合:消防法令に精通した業者であれば、確実に基準を満たした設置ができます。
- 無線の受信状況確認:事前に電波の受信状況を確認し、必要に応じて中継器の設置や機器の配置を調整してくれます。
- 消防署との調整:消防署への事前相談や、検査の立ち会いなど、手続き面でのサポートも受けられます。
- アフターサポート:設置後の点検や維持管理についてもアドバイスを受けられます。
- 保証:工事保証や製品保証が付くため、万が一のトラブル時も安心です。
民泊の届出をスムーズに進めるためにも、専門業者への依頼をおすすめします。
【民泊消防設備】完全ガイド|家主居住型・不在型・面積別の設置基準と手続き|鎌倉エリア対応
一戸建て民泊の消防設備を徹底解説!家主居住型と不在型の違い、宿泊室50㎡を境とした設置基準、消防法令適合通知書の取得手続きまで完全ガイド。鎌倉エリア対応で、安全で適法な民泊開業を分かりやすくサポートします。
消防設備業者へ依頼した場合、設置にかかる費用の目安
特小自火報の設置費用は、建物の規模や構造、設置する感知器の数によって異なります。業者により設置費用は変わりますが、おおむねの目安としてご覧ください。
機器ごとの費用(設置費込み・税込)
当事務所の提携先 消防設備業者による標準的な費用は以下のとおりです。
- 感知器:1台あたり16,500円~ 連動型警報機能付感知器の本体価格と取付費用を含みます。
- 誘導灯:1台あたり66,000円~ 特小自火報とは別の設備ですが、民泊では誘導灯の設置も必要になる場合があります。
- 非常用照明:1台あたり55,000円~ こちらも民泊で必要になる場合があります。
- 消火器:1台あたり9,350円~ 住宅用消火器の設置も推奨されます。
物件タイプ別の概算費用
- 共同住宅一室:280,000円~380,000円 マンションやアパートの一室で民泊を行う場合の標準的な費用です。感知器の数は間取りによって異なりますが、2LDK程度であれば5~7台程度が目安です。
- 戸建て(2階建):350,000円~500,000円 2階建ての戸建て住宅の場合です。警戒区域が2つになるため、火災発生場所を特定できる機能付きの感知器が必要です。また、廊下や階段にも感知器を設置する必要があります。
- 戸建て(3階建):400,000円~650,000円 3階建ての戸建て住宅の場合です。特定一階段等防火対象物に該当する可能性が高く、感知器の設置台数が増えるため、費用も高くなります。
- 建物一棟(延べ面積約350㎡):1,900,000円~3,000,000円 延べ面積が300㎡以上の大規模な施設の場合です。感知器の数が多くなるため、中継器の設置が必要になることもあります。
費用を抑えるポイント
- 複数の業者から見積もりを取る:業者によって費用が異なるため、複数の見積もりを比較しましょう。
- 用途区分の確認:建物の用途や規模によっては、設備の設置免除を活用できる場合があります。条例による特例基準を適用できれば、設置費用を抑えられることがあります。
- 補助金の活用:自治体によっては、民泊開業に対する補助金制度がある場合があります。鎌倉市、逗子市、横須賀市でも、過去に関連する補助金が実施されたことがあります。最新情報は各自治体にご確認ください。
- 既存設備の活用:既に住宅用火災警報器が設置されている場合、それを活用できるか業者に相談してみましょう。
設置後の点検と維持管理

特小自火報を設置した後は、定期的な点検と維持管理、消防署への報告が必要です。
定期点検の義務
消防法第17条の3の3に基づき、特小自火報を含む消防用設備等は、定期的に点検し、その結果を消防署に報告する義務があります。
- 点検の種類:機器点検(6か月ごと)と総合点検(1年ごと)があります。
- 点検資格者:通常の規模の2階建戸建て民泊や、共同住宅であれば、ご自身で点検・報告が可能。(例外あり)
- 報告義務:民泊(5項イ)は「特定防火対象物」に該当するため、点検結果を1年ごとに消防署に報告する必要があります。
点検の内容
- 機器点検:感知器の外観確認、作動試験、音響確認などを行います。
- 総合点検:実際に感知器を作動させて、連動機能や音声メッセージが正常に機能するかを確認します。
- 電池の確認:電池式の感知器の場合、電池残量の確認を行います。電池寿命は通常10年程度ですが、使用状況によって異なります。
点検報告書の提出
点検結果は、「消防用設備等点検結果報告書」として消防署に提出します。特小自火報の場合、「特定小規模施設用自動火災報知設備点検票」という専用の様式があります。
点検報告書の提出を怠ると、消防法違反として罰則の対象になる可能性があります。また、民泊の届出時に、消防署から「消防法令適合通知書」を取得する必要がありますが、点検報告が適切に行われていないと、この通知書が交付されないことがあります。
日常の維持管理
定期点検のほかにも、日常的に以下の点に注意しましょう。
- 感知器の清掃:感知器にほこりが溜まると、誤作動や感知遅れの原因になります。定期的に乾いた布で拭き取りましょう。
- 電池切れの確認:電池式の場合、電池が切れそうになると警告音が鳴ります。警告音が鳴ったら速やかに電池を交換しましょう。
- 障害物の除去:感知器の周囲に物を置かないようにしましょう。天井付近の感知器が家具などで覆われていると、煙や熱を感知できなくなります。
よくある質問
既存の住宅に後から設置できますか?
はい、可能です。特小自火報は、既存住宅への後付けを想定した設備です。無線式の連動型警報機能付感知器を使用すれば、大規模な配線工事なしで設置できます。ただし、電源が必要な場合は、コンセントの位置などを確認する必要があります。電池式の製品もありますので、建物の状況に応じて選択できます。
賃貸物件でも設置できますか?
賃貸物件で民泊を行う場合、建物の所有者(オーナー)の承諾が必要です。特小自火報の設置は建物への工事を伴うため、必ずオーナーに相談してください。オーナーの承諾が得られれば、設置は可能です。退去時の原状回復についても、事前に取り決めておくことをおすすめします。
住宅用火災警報器との違いは?
住宅用火災警報器(住警器)は、主に一般住宅での使用を想定した簡易な警報器です。一方、特小自火報は、ホテルや旅館など不特定多数の人が利用する施設での使用を想定しており、より高い安全性能が求められます。
具体的には、特小自火報は連動機能が必須であり、一つの感知器が作動すると建物全体に警報を発する必要があります。また、非常電源の要件も厳しく定められています。
民泊(5項イ)では、住宅用火災警報器ではなく、特小自火報または通常の自動火災報知設備の設置が必要です。
感知器は何台必要ですか?
感知器の必要台数は、建物の間取りや面積によって異なります。
基本的には、キッチン、居室、2㎡以上の収納室、倉庫、機械室などに各1台以上必要です。また、警戒区域が2以上の場合や特定一階段等防火対象物の場合、廊下や階段にも設置が必要です。
たとえば、2LDKのマンションで民泊を行う場合、キッチン、リビング、寝室2部屋、クローゼット2か所に設置すると、6台程度が目安になります。
正確な台数は、消防署への事前相談や専門業者の現地調査で確認することをおすすめします。
設置後の電池交換は自分でできますか?
電池式の連動型警報機能付感知器の電池交換は、一般の方でも可能です。電池寿命は通常10年程度ですが、製品によって異なります。
電池が切れそうになると、感知器から警告音が鳴ります。その際は、メーカーの取扱説明書に従って電池を交換してください。交換用の電池は、メーカー指定のものを使用する必要があります。
ただし、交換後は正常に作動するか確認することをおすすめします。不安な場合は、専門業者に依頼するのも一つの方法です。
消防署への事前相談は必要ですか?
民泊の届出を行う前に、必ず管轄の消防署に事前相談を行うことを強くおすすめします。
事前相談では、建物の図面を持参し、特小自火報の設置が可能か、どのような設備が必要かを確認します。また、特例基準の適用が可能かどうかも相談できます。
事前相談を行わずに工事を進めてしまうと、基準を満たしておらず、やり直しになることがあります。時間と費用の無駄を避けるためにも、事前相談は必須と考えてください。
鎌倉市、逗子市、横須賀市の各消防署では、民泊に関する消防設備の相談を受け付けています。
まとめ:安心・安全な民泊運営のために
特定小規模施設用自動火災報知設備(特小自火報)は、小規模な民泊施設において、火災から宿泊者の安全を守るための重要な設備です。2023年の省令改正により、設置できる範囲が拡大され、より多くの民泊物件で活用できるようになりました。
特小自火報の設置にあたっては、建物の用途、規模、構造に応じて適切な設備を選択し、消防法令で定められた基準を満たす必要があります。警戒区域の考え方、感知器の設置場所、連動機能の要件など、押さえるべきポイントは多岐にわたります。
自分で設置することも可能な場合がありますが、確実に基準を満たし、民泊の届出をスムーズに進めるためには、専門業者への依頼も検討しましょう。設置費用は業者により違いますが、共同住宅一室で28万円~38万円、戸建て(2階建)で35万円~50万円が目安です。
設置後は、定期的な点検と維持管理が必要です。消防用設備等の点検結果は、1年ごとに消防署に報告する義務があります。
民泊の開業にあたっては、消防法令への適合が必須です。消防署への事前相談を行い、適切な消防設備を整えることで、安心・安全な民泊運営が可能になります。
消防設備のご相談は専門家にお任せください
民泊の消防設備について、このような不安やお悩みはありませんか?
- 自分の物件に特小自火報が設置できるかわからない
- 設置基準を満たしているか不安
- どの業者に依頼すればよいかわからない
- 消防署とのやり取りが不安
- 費用がどのくらいかかるか知りたい
当事務所では、民泊の届出から消防設備のご相談、専門業者のご案内、管理業者のご紹介までトータルでサポートしています。
当事務所のサービス
- 消防署への事前相談代行
- 消防法令適合に関するアドバイス
- 信頼できる消防設備業者のご紹介
- 住宅宿泊事業の届出代行
- 提携する住宅宿泊管理業者のご案内
- 届出後のフォローアップ
鎌倉市、逗子市、横須賀市をはじめ、神奈川県内の民泊開業を数多くサポートしてきた実績があります。消防設備についても、地域の実情に精通した専門業者と連携し、適切なご提案をいたします。
まずは無料相談から
初回相談は無料です。お気軽にお問い合わせください。
民泊の夢を、一緒に実現しましょう。
関連記事
- 民泊届出の流れと必要書類【完全ガイド】
- 民泊における消防法令の基礎知識
- 鎌倉・逗子・横須賀エリアの民泊規制について
- 民泊開業の初期費用はいくら?内訳を詳しく解説
外部リンク
この記事は、令和5年8月の省令改正を含む最新の情報に基づいて執筆しています。ただし、法令や基準は変更される可能性がありますので、実際に民泊を開業される際は、必ず管轄の消防署にご確認ください。
民泊経営を始めたい方【必読】
民泊のポイント解説4選
【民泊基礎知識】初心者向け完全ガイド|法律・手続き・収益まで
住宅宿泊事業(民泊)の法的手続き完全ガイド|民泊専門の行政書士が徹底解説
住宅宿泊事業(民泊)運営完全ガイド|適正な運営方法を行政書士が徹底解説
お問い合わせ
おすすめ民泊記事
事業者様必見










